初任運転者に対する安全運転の実技指導について

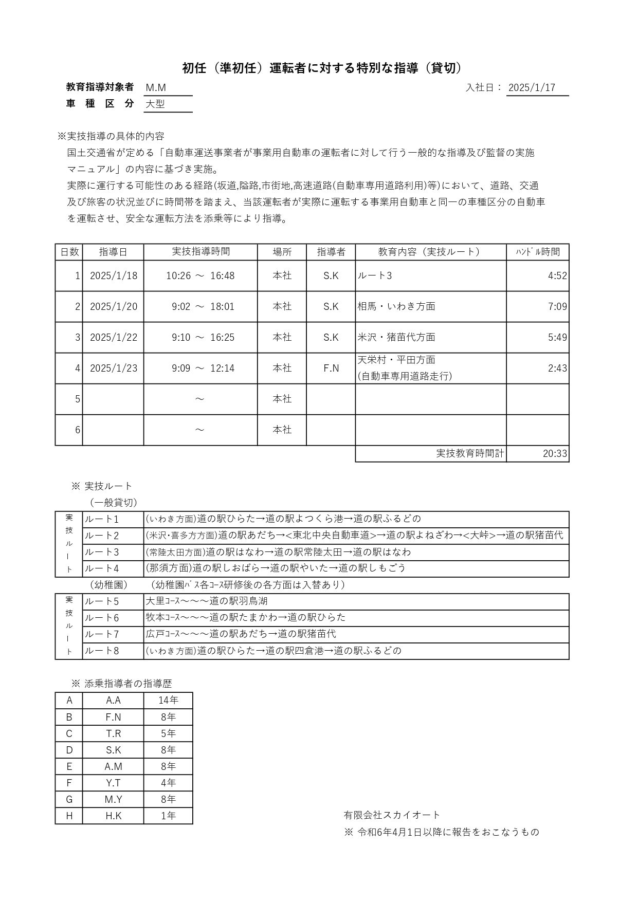
本年1月に1名入社し、初任運転者研修(学科10時間以上、実技20時間以上(添乗付き))を実施いたしました。

前の記事

年末です!!